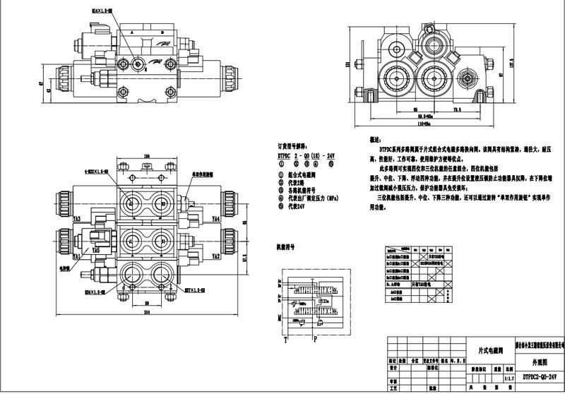
The DTPDC series multi-way induction plate combination electromagnetic multi-way directional valve features a compact structure, large diameter, high pressure resistance, good performance, reliable operation, and convenient use and maintenance. This multi-way valve can achieve any combination of four-position and three-position functions.
Product Description
The DTPDC series multi-way induction plate combination electromagnetic multi-way directional valve features a compact structure, large diameter, high pressure resistance, good performance, reliable operation, and convenient use and maintenance. This multi-way valve can achieve any combination of four-position and three-position functions.
The four-position function includes lift, neutral, lower, and float modes, with a hydraulic lock in the lift position to prevent instrument sinking, and an overload valve in the lower position to reduce high pressure and protect the instrument from damage. The three-position function includes lift, neutral, and lower modes. Single-acting function can also be achieved by rotating the "single/double-acting knob".

Coated sand casting components have been widely used in various industries due to their high precision, complex structural forming ability, and excellent surface quality. We provide hydraulic solutions such as gear pumps, multi way valves, solenoid valves, hydraulic motors, etc. for the engineering machinery, agricultural machinery, coal mining machinery, metallurgical and chemical industries.
The materials used include gray cast iron, ductile iron, and nodular cast iron
All of these materials are designed to ensure lightweight structures, enhance wear resistance, and reliability under extreme environmental conditions.



Q1.Why Choose Xiaolongwang Hydraulics?
A1: Since 1996, we have been specialized in the production of various hydraulic components. Our business scope covers the full process of design, R&D, production and sales for products like multi-way directional valves, gear pumps, hydraulic motors and hydraulic castings. Our products are sold in more than 20 countries and regions, and have won recognition from numerous customers.
Q2.Do You Provide OEM/ODM Services?
A2: We offer professional OEM/ODM services. When the value of your product order meets a certain standard, we can provide a variety of customized services, including personalized nameplates, exclusive packaging designs and customized product colors to meet your specific needs.
Q3.What Currencies and Payment Methods Are Supported?
A3: We support multiple currencies for transactions. Meanwhile, we provide diverse payment methods such as Telegraphic Transfer (T/T), Alibaba Platform Payment and online bank transfer, ensuring flexible and secure transactions.
Q4.Do You Offer Samples? Are They Free?
A5: We can provide samples for your inspection. The sample fee will be deducted from your subsequent order payment and returned to you, reducing your trial cooperation costs.
Q5.What Is the Delivery Time?
A5: The estimated delivery time ranges from 7 to 30 working days, which will be adjusted according to the quantity of your order. We will keep you updated on the production progress to ensure on-time delivery.
Q6.How to Contact Us?
A6: You can directly click on the "Contact Us" section on our official website. Our sales team provides 24-hour online service and will respond to your inquiries and needs in a timely manner.
Standard packaging uses wooden boxes or wooden pallets wrapped with plastic film.
Customized packaging can also be provided according to customer requirements.
Our professional engineering team is always ready to assist you with technical consultation and feedback.
We can also provide free samples to help you evaluate our products.
We make every effort to deliver the best products and services to our customers.
If you are interested in our company and products, please feel free to contact us by email or phone.
You are also welcome to visit our factory to learn more about our capabilities.
We sincerely welcome customers from all over the world to establish long-term business relationships with us,
and we believe we will share a successful and rewarding cooperation experience together.



Xingtai Xiaolongwang Precision Hydraulic Pump Industry Co., Ltd.







